
東莞市精準機電科技有限公司
電 話:0769-82658821
傳 真:0769-89026606
手 機:18928261121
聯系人:陳先生 (技術咨詢)
郵 箱:zgjzdex@163.com
網 址 : www.mantangcp.com
地 址:廣東省東莞市長安鎮新安社區橫崗頭工業區
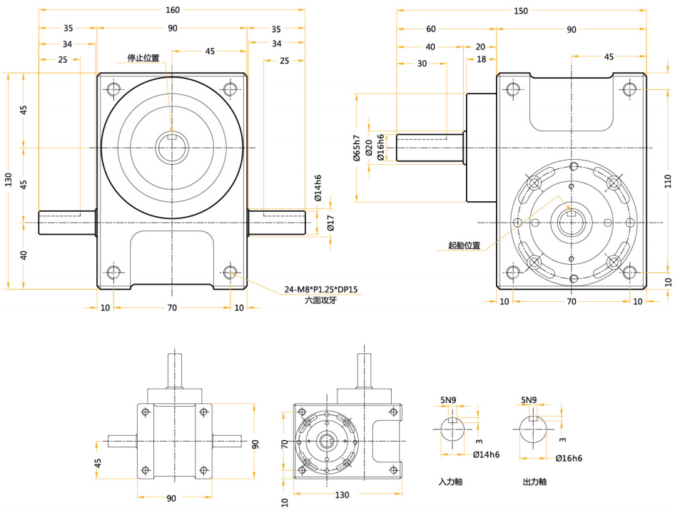
KN95口罩機專用分割器實現-機多用的聯動功能,在電機驅動下分割器入力軸和出力軸把動力分別傳遞給鼻梁線裝料機構和送料機構,凸輪分割器的兩側入力軸為一體結構,一面用于動力輸入,另一面用于動力輸出, 而凸輪分割器出力軸連接裝料機構同步輪。分割器入力軸屬于無連續旋轉;而出力軸的裝料機構同步輪,是經過分割器的內部機構分度的機械動作后,就變成了間歇式的旋轉輸出,這種屬性和功能是其它伺服或DD等所不具備的。
技術參數:
項目 | 符號 | 單位 | 數值 |
出力軸容許徑向負荷 | C1 | kgf | 80 |
出力軸容許軸向負荷 | C2 | kgf | 72.5 |
出力軸容許力矩 | Ts | kgf-m | 參考力矩表 |
入力軸容許徑向負荷 | C3 | kgf | 85 |
入力軸最大彎曲力矩 | C4 | kgf | 75 |
入力軸最大扭矩 | C5 | kgf-m | 4 |
入力軸的GD2(注1) | C6 | kgf-m2 | 3.2*10-4 |
定位分割精度 | sec. | ±30 | |
重量 | kg | 7 | |
注1:入力軸的GD2是在停留范圍內的數值 | 注2:C1至C5數值是達到安全系數=2時的數值 | ||